Главная » Идеи для талантливых » Создание эквалайзера своими руками: эффективные схемы и советы для идеального звучания

Создание эквалайзера своими руками: эффективные схемы и советы для идеального звучания


Хотите научиться создавать свой эквалайзер и улучшить качество звука? В данной статье вы найдете полезные советы, эффективные схемы и инструкции, которые помогут вам достичь идеального звучания. Откройте для себя мир самостоятельной настройки эквалайзера и создайте звук, который будет соответствовать всем вашим требованиям.


Изучите основы эквалайзера: понимание принципов работы и настройки этого устройства поможет вам справиться с его самостоятельным созданием.

Самодельный эквалайзер

Подберите необходимые инструменты и материалы для создания эквалайзера своими руками: проводники, резисторы, конденсаторы и другие компоненты.

📊Эквалайзер своими руками - индикатор мощности звука для Bluetooth колонки🔊

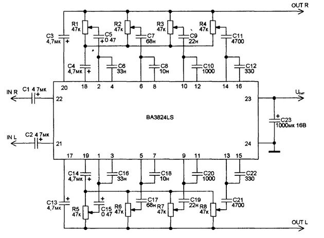
Выберите подходящую схему: она должна соответствовать вашим потребностям и требованиям к звуку.

✅ Светодиодный индикатор уровня звука своими руками!!! Все гениальное просто! ✅

Тщательно припаяйте все детали: хороший контакт важен для качественной работы эквалайзера.

sxematube - схема простого транзисторного пятиполостного эквалайзера, простой эквалайзер

Не забывайте о заземлении: правильное заземление поможет избежать шумов и помех в работе эквалайзера.

ШОК! Темброблок-эквалайзер мечты ушлепка. С \

Правильно подключите эквалайзер к звуковому источнику: правильная схема подключения гарантирует идеальное звучание.

Собираем 5-полосный эквалайзер на микросхеме LA3600

Тестируйте и настраивайте эквалайзер: проводите пробные прослушивания, настраивайте частоты и уровни, чтобы достичь желаемого звучания.

HI-FI 100W усилитель. Своими руками. Из китайских комплектующих.

Экспериментируйте с различными настройками: играйтесь с частотами и уровнями, чтобы добиться интересного и уникального звучания.

Собираю радиоконструктор из СССР

Обращайтесь за помощью к опытным мастерам: если у вас возникают сложности или вопросы, не стесняйтесь обратиться к специалистам, которые помогут вам реализовать ваши звуковые идеи.

Мало кто знает об этой функции МОБИЛЬНОГО ТЕЛЕФОНА!

Не забывайте о безопасности: при работе с электроникой используйте защитные очки, перчатки и прочие средства индивидуальной защиты.

ЭТО ГЕНИАЛЬНО! Что я сделал из зарядного от телефона!