Главная » Идеи для талантливых » Качер бровина 220в своими руками: пошаговая инструкция и советы

Качер бровина 220в своими руками: пошаговая инструкция и советы


Хотите сделать качер бровина 220в своими руками? В этой статье вы найдете развернутую инструкцию и полезные советы, которые помогут вам с этим заданием. Узнайте, как правильно собрать и настроить качер бровина, соблюдая все технические требования и безопасность.


Выберите подходящий корпус для качера бровина, обратите внимание на материал и размеры.

✅Как сделать Трансформатор Тесла ⚡⚡⚡ Мощный на одном транзисторе по схеме Качер Бровина

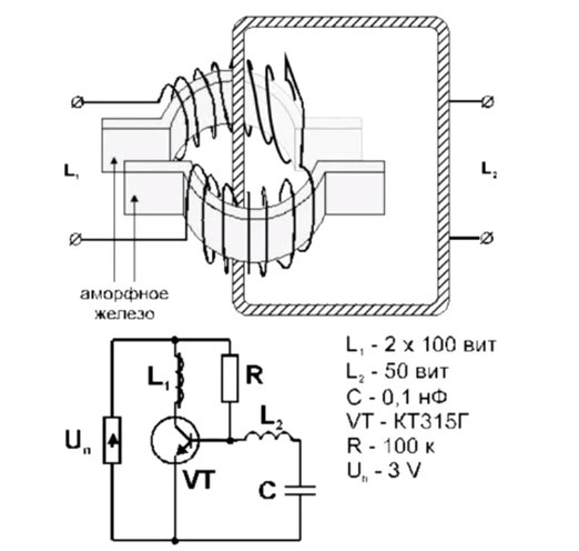
Правильно подберите компоненты для сборки качера бровина: трансформатор, резисторы, конденсаторы и др.

Мини катушка Тесла или качер Бровина своими руками

Сделайте схему сборки качера бровина, чтобы иметь ясное представление о порядке подключения всех элементов.

⚡-Мощный Трансформатор Тесла или Качер Бровина своими руками-⚡

Проверьте все соединения и проведите испытания перед использованием качера бровина.

Качер Бровина своими руками

Обязательно соблюдайте правила безопасности при работе с электрическими компонентами и проводкой.

✔️КАЧЕР бровина НА ФЕРРИТЕ теперь не нужно много мотать - катушка тесла своими руками

Учитывайте потребление энергии и гарантируйте достаточный уровень питания для качера бровина.

Мини Катушка Тесла на IRF740. Качер Бровина / Mini Tesla Coil

Во время сборки и настройки качера бровина не забывайте о возможности регулировки его функций и режимов.

V#1. Бифилярная катушка Nikola Tesla своими руками / English subtitles

Следите за правильностью подключения проводов и проведите изоляцию для предотвращения короткого замыкания.

Секрет Запрещенного отопления На Бифиляре Тесла. Вы будете использовать только его.

При возникновении проблем с работой качера бровина, обращайтесь к схеме и инструкции для поиска и устранения неисправностей.

Мощная и простая катушка тесла своими руками (качер бровина от сети 220в)

Помните, что самостоятельная сборка качера бровина требует определенных знаний и навыков, поэтому не стесняйтесь проконсультироваться со специалистами.

Как сделать КАЧЕР БРОВИНА - Катушка Тесла своими руками