Главная » Идеи для талантливых » Как изготовить идеальный каркас для брови своими руками по пошаговой инструкции

Как изготовить идеальный каркас для брови своими руками по пошаговой инструкции


На странице представлены полезные советы и схемы, которые помогут вам изготовить прочный и красивый каркас для брови самостоятельно. Схемы и подробные инструкции помогут вам сделать все правильно и получить желаемый результат. Начните создавать идеальные формы бровей прямо сейчас!


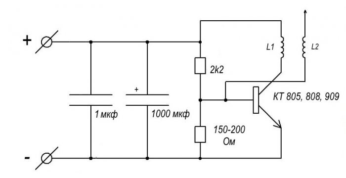
Выберите подходящую схему для создания каркаса для бровей.

Мини Катушка Тесла на IRF740. Качер Бровина / Mini Tesla Coil

Используйте качественные материалы для изготовления каркаса.

⚡-Мощный Трансформатор Тесла или Качер Бровина своими руками-⚡

Не забудьте проверить соответствие каркаса форме брови перед началом работы с ним.

Как сделать КАЧЕР БРОВИНА - Катушка Тесла своими руками

Аккуратно и внимательно выполняйте все этапы создания каркаса.

Мощная и простая катушка тесла своими руками (качер бровина от сети 220в)

Используйте подходящие инструменты для изготовления каркаса.

Мощный Трансформатор Тесла своими руками (Ака Касьян)

Нанесите каркас на бровь и убедитесь, что он хорошо прилегает и фиксируется.

✅Как сделать Трансформатор Тесла ⚡⚡⚡ Мощный на одном транзисторе по схеме Качер Бровина

Регулярно проверяйте и поддерживайте качество каркаса, чтобы он не износился быстро.

Качер Бровина демонстрация обзор и схема.

Стремитесь к профессионализму - повторяйте и тренируйтесь, чтобы создавать качественные и точные каркасы для бровей.

Качер Бровина своими руками

Не забывайте ухаживать за бровями после использования каркаса, чтобы они выглядели красиво и ухоженно.

Секрет Запрещенного отопления На Бифиляре Тесла. Вы будете использовать только его.

Поделитесь своими успехами и опытом создания каркаса для брови, чтобы помочь другим людям.

Катушка Тесла качер Бровина на IRFP460