Главная » Идеи для талантливых » Изготовление своего коммутатора для осциллографа: полезные советы и трюки

Изготовление своего коммутатора для осциллографа: полезные советы и трюки


Хотите создать собственный коммутатор для подключения осциллографа? В этой статье вы найдете подробные инструкции и ряд полезных советов, которые помогут вам в этом деле.


В начале, необходимо определить требования и функциональность вашего коммутатора. Учтите все необходимые входы и выходы, а также возможность переключения между ними.

Как будет работать двигатель, если уменьшить зазоры на свечах зажигания

Выберите подходящие материалы и компоненты для изготовления коммутатора, учитывая его функциональность и конструкцию.

Как сделать коммутатор

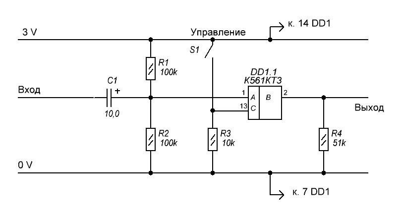
Соберите общую схему коммутатора, определите порядок подключения и расположение каждого элемента.

Двухканальный электронный коммутатор для осциллографа С1-94

Удостоверьтесь, что все соединения и провода правильно подключены и безопасны для использования.

ЭТО ГЕНИАЛЬНО! Что я сделал из зарядного от телефона!

Проверьте работоспособность коммутатора с помощью тестового сигнала и осциллографа. Убедитесь, что переключение между входами и выходами происходит корректно.

Миниатюрный вольтметр с функцией осциллографа на Atmega 328 и олед дисплее 0.91\

При необходимости, внесите изменения в конструкцию коммутатора, чтобы улучшить его функциональность или исправить возможные проблемы.

Активный щуп для осциллографа

Окончательно соберите и закрепите все компоненты коммутатора, убедитесь, что все части надежно закреплены и защищены.

3-транзисторный Осциллограф своими руками — сборка, настройка и тестирование

Не забудьте протестировать коммутатор после окончательной сборки и убедиться, что он работает исправно и соответствует всем требованиям.

Мало кто знает об этой функции БЛОКА ПИТАНИЯ от ноутбука!!!

fond-ustu.ruльный щуп с делителем 1 : 10 портативного осциллографа для наблюдения сигналов до 400 В.

Сделайте соответствующие пометки или метки на коммутаторе, чтобы облегчить вам его использование в будущем.

Провайдеры телекабеля НЕ хотят, чтобы вы знали этот трюк

Готово! Теперь у вас есть свой собственный коммутатор для осциллографа, который можно использовать для различных задач и экспериментов.