Главная » Идеи для талантливых » Как создать простой генератор сигналов своими руками с минимальными затратами и максимальной эффективностью

Как создать простой генератор сигналов своими руками с минимальными затратами и максимальной эффективностью


Хотите создать генератор сигналов, но не знаете, с чего начать? В этой статье мы подробно раскроем простой способ собрать свой собственный генератор сигналов с минимальными затратами и максимальной эффективностью. Вы с легкостью сможете самостоятельно создать устройство, которое будет генерировать необходимые сигналы для различных приложений.


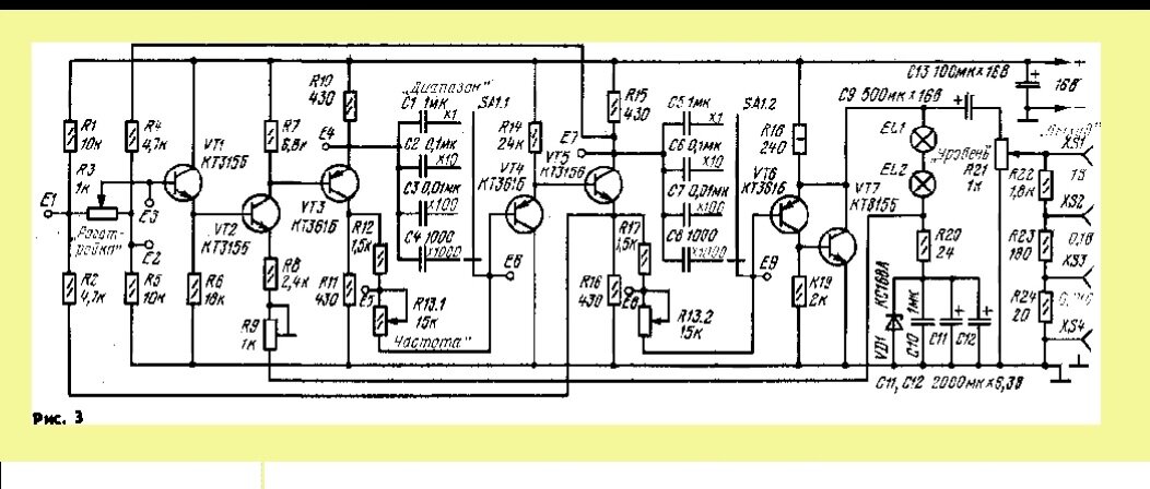
Выберите источник сигнала. Можно использовать колебательный контур на основе кварцевого резонатора или астабильный мультивибратор. Оба варианта позволят получить стабильный и точный сигнал.

Простой генератор НЧ на двух транзисторах - отладка исходной схемы.

Определите требования к частоте сигнала. Это поможет вам выбрать подходящий источник сигнала и регулировать его параметры для достижения нужного результата.

Бесплатный генератор мощностью 10 кВт с деталями для микроволновой печи 100% РЕАЛЬНЫЙ

Соберите схему генератора сигналов. Используйте схемотехническую документацию, чтобы правильно соединить компоненты и настроить их на необходимую частоту.

Универсальный генератор сигналов из старого телевизора (К174ХА11)

Проверьте работу генератора сигналов. Подключите его к прибору или устройству, для которого нужен сигнал, и убедитесь, что генератор работает стабильно и выдает требуемую частоту.

🐌 Схема простого генератора синуса со 🔨 сложной судьбой. 🔫

Настройте параметры генератора. Если необходимо, отрегулируйте частоту, амплитуду и форму сигнала, чтобы они соответствовали требуемым параметрам.

Энергия из магнита правда или нет , делаем и проверяем, самоделка своими руками

Зафиксируйте собранную схему и проведите ее тестирование. Убедитесь, что все соединения надежны, а сигнал генерируется корректно.

Мало кто знает об этой функции МОБИЛЬНОГО ТЕЛЕФОНА!

Обратите внимание на питание генератора. Для стабильной работы устройства требуется стабильное и качественное питание. Рассмотрите возможность использования стабилизатора напряжения или аккумулятора.

Простой генератор прямоугольных импульсов своими руками

Не забудьте про защиту и экранирование. Если возможно, используйте экранирование и фильтры, чтобы защитить генератор от внешних помех и сбоев.

Простой генератор звуковой частоты

😅 Генератор Бесплатного Электричества из АВТОКОМПРЕССОРА ! такого ты точно не видел !

Запишите результаты настройки и настройте генератор сигналов под конкретные нужды. Отметьте особенности настройки, чтобы в дальнейшем было легче настроить устройство снова.

Своими руками #3 Генератор НЧ Сигналов (полная проверка диапазонов)

Используйте советы и инструкции от других людей. Найдите форумы и сообщества, где обсуждаются подобные проекты, и поделитесь опытом с другими энтузиастами.