Главная » Идеи для талантливых » Создание электронных схем с таймером ne555: полезные советы для начинающих

Создание электронных схем с таймером ne555: полезные советы для начинающих


На данной странице вы найдете подробные схемы и инструкции по созданию электронных устройств с использованием таймера ne55Здесь представлены самостоятельные проекты, которые можно реализовать своими руками без особых затрат и специальных знаний в области электроники. Узнайте, как собрать простые и полезные устройства, используя популярный таймер ne555!


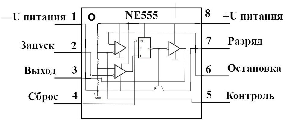
Изучите основы работы таймера ne555, чтобы понять его принципы функционирования и возможности.

ШИМ регулятор на NE555 своими руками

Подготовьте все необходимые компоненты и инструменты перед началом работы над проектом.

ШИМ регулятор напряжения на NE555 своими руками

Тщательно следуйте схемам и инструкциям, чтобы избежать ошибок при сборке электронных устройств.

Микросхема 555 практическое применение

Не забывайте о безопасности при работе с электроникой: используйте изолирующие перчатки и защитные очки.

Новая идея - Пульт дистанционного управления с микросхемой таймера 555

Проверьте работоспособность и правильность сборки устройства перед подключением к источнику питания.

Электронные самоделки на таймере fond-ustu.ru можно сделать на этой микросхеме.

Экспериментируйте с различными компонентами и схемами для создания уникальных электронных устройств.

В чем секрет NE555? Разбираемся как устроена эта микросхема и почему на ней можно сделать всё!

Используйте многофункциональные платы и разъемы для удобного соединения компонентов и переиспользования схем.

✅ 3 простых, но неимоверно полезных устройства на NE555! ✅

Вносите изменения в существующие схемы и адаптируйте их под свои потребности и цели.

Для fond-ustu.ru шим регулятор на ne555 .Исправляем ошибку на схеме.

Осваивайте программирование микроконтроллеров и соединение с ними через таймер ne555.

Схема простого, хорошего искателя скрытой проводки, детектора электрического поля на таймере 555

Не ограничивайтесь только базовыми проектами - стремитесь к созданию сложных и уникальных устройств с таймером ne555.

NE555 5 простых схем для начинающих радиолюбителей.