Главная » Идеи для талантливых » Советы по созданию усилителя на лампах своими руками

Советы по созданию усилителя на лампах своими руками


Хотите создать свой усилитель на лампах? В этой статье мы расскажем вам, как составить и собрать усилитель на лампах своими руками. Мы подготовили для вас несколько полезных советов, которые помогут вам в этом процессе. Усиляйте свою музыку собственным усилителем на лампах!


Изучите основы электроники: чтобы создать усилитель на лампах, нужно разобраться в основных принципах работы электрических схем.

ЛАМПОВОЕ УСИЛЕНИЕ. Как устроена РАДИОЛАМПА? Понятное объяснение!

Выберите подходящую лампу: каждая лампа имеет свои характеристики и звуковые особенности, поэтому выберите лампу, которая подойдет именно для вашего проекта.

Простой двухламповый усилитель. Простая электроника 17

Соберите нужные компоненты: чтобы создать усилитель на лампах, вам понадобятся различные электронные компоненты, соберите их заранее.

Простой Ламповый Усилитель для Новичков. Своими Руками!

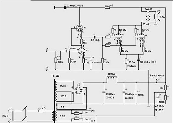
Следуйте схеме: найдите подходящую схему усилителя на лампах и следуйте ей при сборке устройства.

Качественный ламповый усилитель своими руками. Часть 1

Обращайтесь за помощью: если у вас возникнут сложности при сборке усилителя, не стесняйтесь обращаться за помощью к опытным электронщикам.

Простой усилитель низкой частоты на радиолампе 6п14п.

Тестируйте и настраивайте: после сборки усилителя, проведите тестирование и настройку, чтобы достичь наилучшего звучания.

Самодельный ЛАМПОВЫЙ ГИТАРНЫЙ КОМБИК из деталей с помойки

Берегите лампы: для длительной работы усилителя не забывайте о правильном обращении с лампами и их обслуживании.

Ламповый усилитель мощности

Экспериментируйте: не бойтесь экспериментировать с различными компонентами и схемами, чтобы найти свой уникальный звук.

HI-FI 100W усилитель. Своими руками. Из китайских комплектующих.

Не забывайте о безопасности: при работе с электроникой всегда соблюдайте меры безопасности и используйте соответствующие инструменты и оборудование.

DIY домашний гитарный усилитель Hi AMP!

Настройте усилитель: не забудьте процесс настройки усилителя для достижения наилучшего звучания и идеального баланса.

ЛАМПОВЫЙ усилитель ИЗ ХЛАМА своими руками! Красивая полезная самоделка из мусора