Главная » Лайфхаки по стирке » Как подобрать стиральную машину бош с нужной высотой

Как подобрать стиральную машину бош с нужной высотой


Узнайте, как выбрать стиральную машину бош, которая идеально впишется в ваш интерьер, обеспечивая комфорт и удобство. В этой статье вы найдете полезные советы по выбору стиральной машины бош с оптимальной высотой.


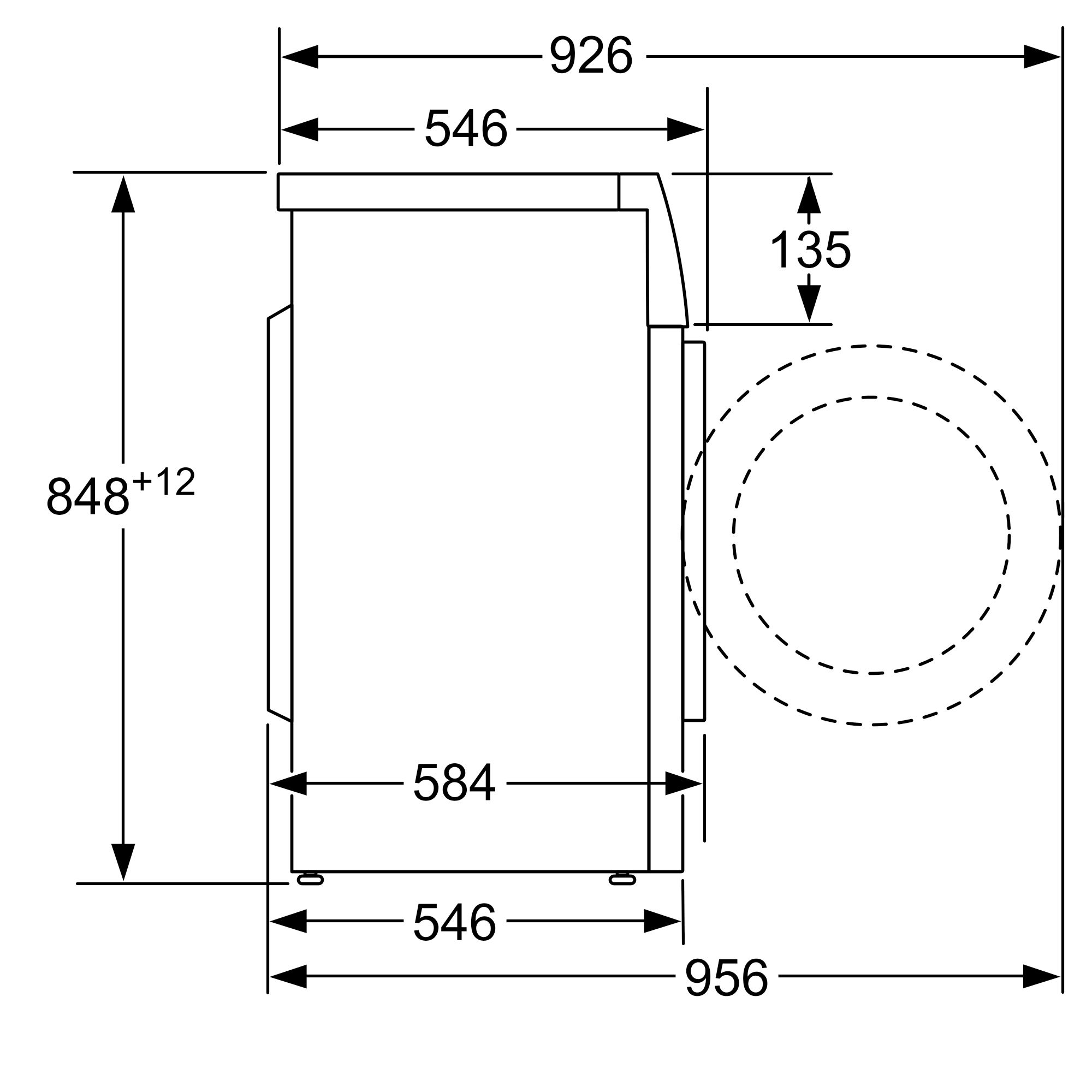
Проверьте высоту места, где будет располагаться стиральная машина бош, чтобы выбрать модель подходящей высоты.

ТОП—7. Лучшие стиральные машины Bosch. Рейтинг 2023 года!

Изучите размеры стиральных машин бош, чтобы найти оптимальный вариант, который не будет выходить за рамки кухонного пространства.

Обзор стиральной машины Bosch WHA222W2OE

Учитывайте, что некоторые модели стиральных машин бош могут иметь возможность регулировки высоты, что позволит вам настроить ее под вашу кухню.

Bosch, разница в сборке в Германии, Польше, Турции, Китай...

Обратите внимание на характеристики и функциональность стиральной машины бош, чтобы выбрать не только оптимальную высоту, но и другие важные параметры.

Bosch или LG? Что купить? Выбор стиральной машины

При выборе стиральной машины бош, обратите внимание на ее энергопотребление и класс энергосбережения, чтобы сэкономить на электричестве и снизить затраты.

Размеры стиральных машин Bosch. Высота, ширина, глубина

Узнайте у продавца или из описания продукта, какая высота у стиральной машины бош в разных режимах работы, чтобы быть уверенным, что она подходит под ваши потребности.

Правильное подключение слива стиральной машинки. Супер надежно!

Не забудьте проверить, что стиральная машина бош имеет все необходимые функции и программы, которые вам нужны для эффективной стирки.

Так ли хороши стиральные машины Bosch? Стоит ли переплачивать за бренд?

При выборе стиральной машины бош, обратите внимание на ее уровень шума, чтобы избежать неприятных сюрпризов в процессе работы.

Стоит ли покупать технику Bosch - Обзор стиральная машина BOSCH WHA222X1OE

Постарайтесь выбрать стиральную машину бош с удобным и интуитивно понятным интерфейсом, чтобы иметь простой доступ к функциям и настройкам.

Расшифровка маркировки стиральных машин Bosch

Сравните стоимость стиральных машин бош с разной высотой, чтобы выбрать наиболее оптимальный вариант, соответствующий вашему бюджету.

Лучшие стиральные машины Bosch 💥 Рейтинг 2023 года 🏆 ТОП–5 по качеству и надежности